|
Ž´ŽÊŽÞŽ×/SMM3¡Ê13/4SMM35.4S¡Ë
Ž´ŽÊŽÞŽ×/SMM3¡Ê13/4SMM35.4S¡Ë
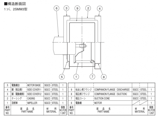
13/4SMM3 ±ó¿´¥Õ¥¡¥ó 13/4SMM35.4S Å·Äß·Á ½ÐÎÏ¡§400W Å۵¡§Ã±Áê¡§100V SMM3·¿¡¡¥Þ¥ó¥Á¥¨¡¼¥¹¥Õ¥¡¥ó¡Êľư·Á¡Ë ¢£ÍÑÅÓ ¡¾®µ¬ÌϤʥӥë¤Î´¹µ¤ÍÑ ¢¥í¥Ã¥«¡¼¥ë¡¼¥à¡¢´ÉÍý¿Í¼¼¤Ê¤É¤Î¸ÄÊÌ´¹µ¤ÍÑ £µ¡´ï¤ÎÁȤ߹þ¤ßÍÑ ¤¤½¤Î¾°ìÈ̤ÎÁ÷¡¦ÇÓÉ÷ÍÑ ¢£ÆÃħ ¡¾®·¿/·ÚÎÌ/Çö·¿ ¢¿øÉÕ¼«Í³ £¼è°·ÍÆ°× Âç·¿¾¦ÉʤˤƲÆì¡¦Î¥ÅçÁ÷ÎÁÊÌÅÓ¸«ÀѤâ¤ê Ǽ´ü¡§1½µ´ÖÄøÅÙ ¡Ê¢¨¼õÃíÀ¸»ºÉÊ¡¦¥á¡¼¥«¡¼ºß¸Ë·çÉÊÅù¤½¤ì°Ê¾åÆü¿ô¤¬¤«¤«¤ëºÝ¤Ï¥á¡¼¥ë¤Ë¤Æ¤´Ï¢Íí¤µ¤»¤Æ¤¤¤¿¤À¤¤Þ¤¹¡Ë Ǽ´üĹ´ü¤ËºÝ¤·¥¥ã¥ó¥»¥ë¤ò¤ª´ê¤¤¤¹¤ë¾ì¹ç¤¬¤´¤¶¤¤¤Þ¤¹¡£ ¸½¾ì¼Ö¾åÅϤ· ¾Ü¤·¤¯¤Ï¥á¡¼¥«¡¼¥¦¥§¥Ö¥µ¥¤¥È¤ò¤´Í÷¤¯¤À¤µ¤¤¡£ http://www.ebara.co.jp/ ºÇ¶á¥Á¥§¥Ã¥¯¤·¤¿¾¦ÉÊ
|
|||||||||||||||||||||||||||||||||||||||||||||||||||||||||||||||||||||||||||||||||||||||||||
¤³¤Á¤é¤Î¾¦Éʤ¬
¥«¡¼¥È¤ËÆþ¤ê¤Þ¤·¤¿

Ž´ŽÊŽÞŽ×/SMM3¡Ê13/4SMM35.4S¡Ë
¥·¥ç¥Ã¥Ô¥ó¥°¤ò³¤±¤ë
Amazon Pay¤Ç·èºÑÃæ¤Ç¤¹¡£
¤½¤Î¤Þ¤Þ¤ªÂÔ¤Á¤¯¤À¤µ¤¤¡£
·èºÑ¤¬´°Î»¤¹¤ë¤È¡¢¼«Æ°¤Ç²èÌ̤¬ÀÚ¤êÂØ¤ï¤ê¤Þ¤¹¡£